I’ve got the SLB-EXT today , I know there’s a power supply that goes along with it , but what I need to know is what is the minimum working voltage , I plan on using AC servo motors + servo drivers so I was thinking of a DIN rail 48v supply . I’d really appreciate some insight ! George.
The SLB-EXT is designed for 48V input. Can’t help with current requirement but I believe the power supply is rated for 10A. This is a WAG and kind of irrelevant because you need to size the current requirements based on your servo motors and drives.
SLB-EXT Controller - AltMill ..
I think this page is all you need.
To know the minimum voltage, there’s a hidden remark on that page, that is easily overlooked.
Well , I only need to power the board itself , the servo drivers use Ac mains 220v , so 36v 5a should be enough , my next question is about the 40 pin gpio header , have they any config/assign function ? Because I already have the necessary pins per axis , the servo driver having S-ON(enable) pin + Alarm , but the driver has also S-RDY and Alarm RST , and looking at the gpio it has inputs and outputs . If anyone has any ideeas feel free to disscus with me , I hope y’all have a wonderful day!
Hey George,
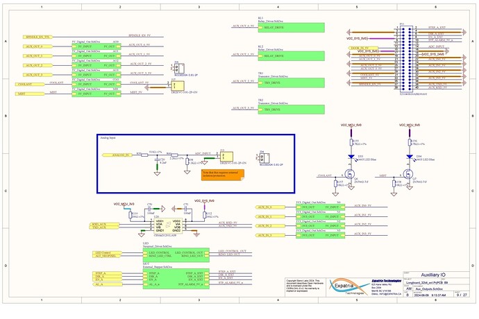
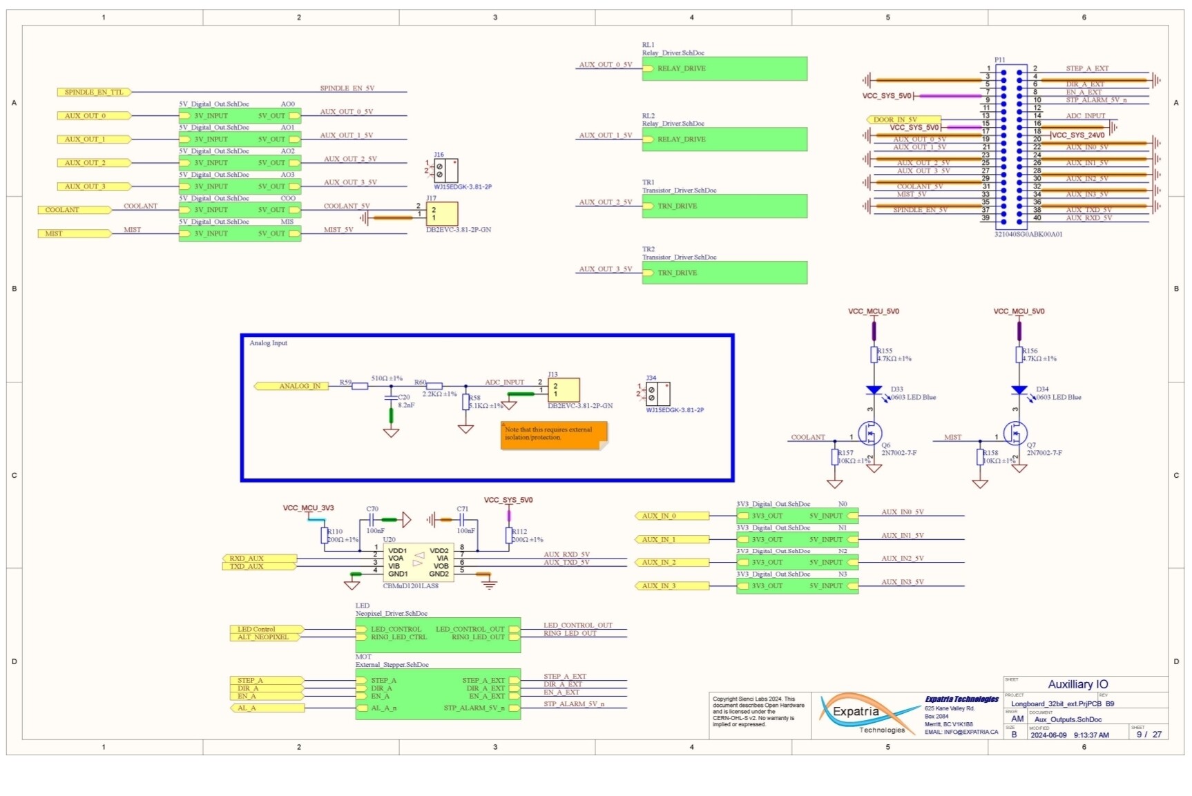
I think it must be possible to play with P11 to gain some functionality, but I fear it will be needing some thinking outside the box. You can look at the schematics and maybe find what you need, but I fear that functionality is pretty much baked into the board and may even need some software adjustments too.
I simply haven’t enough knowledge on the board, firmware and software running on it and what part is running the gpio to give any useful statement about what you can or cannot accomplish with it. For that you might need some dev like @KGN to come into this topic or simply open up a ticket and see if they can help you out directly.
All I can provide, is actually provided at my first link. The link to the schematics.
That might be enough for you to look further into what is possible, by looking how p11 is configured and how to activate the assigned i/o ports within the software.

